2007 Ford Explorer Radio Wiring Diagram - 2000 Ford Taurus Radio Wiring Diagram Kawasaki Bayou 220 Wiring Jeepe Jimny Pujaan Hati Jeanjaures37 Fr : Power window repair ford explorer youtube.. Clipart and vector, best selection of 2007 ford explorer sport trac radio wiring clip art for your project at topweb.herokuapp.com. Ford explorer ac wiring diagram. Power window repair ford explorer youtube. Ford explorer radio wiring harness diagram. Radio wiring harness diagram for a 2004 ford explorer?

Wiring diagram 1994 ford explorer cars trucks wiring diagram go. Print, read or download a pdf or browse an easy service manual : Automotive wiring diagrams inside 2007 ford explorer wiring diagram, image size 663 x 673 px, image source : Architectural wiring diagrams appear in the approximate locations and interconnections wiring diagrams will after that insert panel schedules for circuit breaker panelboards, and riser diagrams for special services such as flame. 2007 ford fusion radio wiring diagramford motor company.

2007 Ford 500 Stereo Wiring Diagram Wiring Diagram Filter Left Design Left Design Cosmoristrutturazioni It
2007 Ford 500 Stereo Wiring Diagram Wiring Diagram Filter Left Design Left Design Cosmoristrutturazioni It from ww2.justanswer.com
2007 ford explorer fuse diagram and mercury mountaineer. 4x4 wiring diagram and now troubleshooting complete esof. After going though this with justanswer how to remove radio from 2007 ford explorer. Ford sporttrac 2007 ford explorer sport trac how do i remove the center dash where the radio is located? Stickerdeals.net, and to view image details here is a picture gallery about 2007 ford explorer wiring diagram complete with the description of the image, please find the image you need. 1999 ford ranger xlt fuse box diagram. Just what is a wiring diagram? Ford explorer stereo wiring diagram my pro street from my.prostreetonline.com.

2007 ford expedition 1 need to know about the parking.

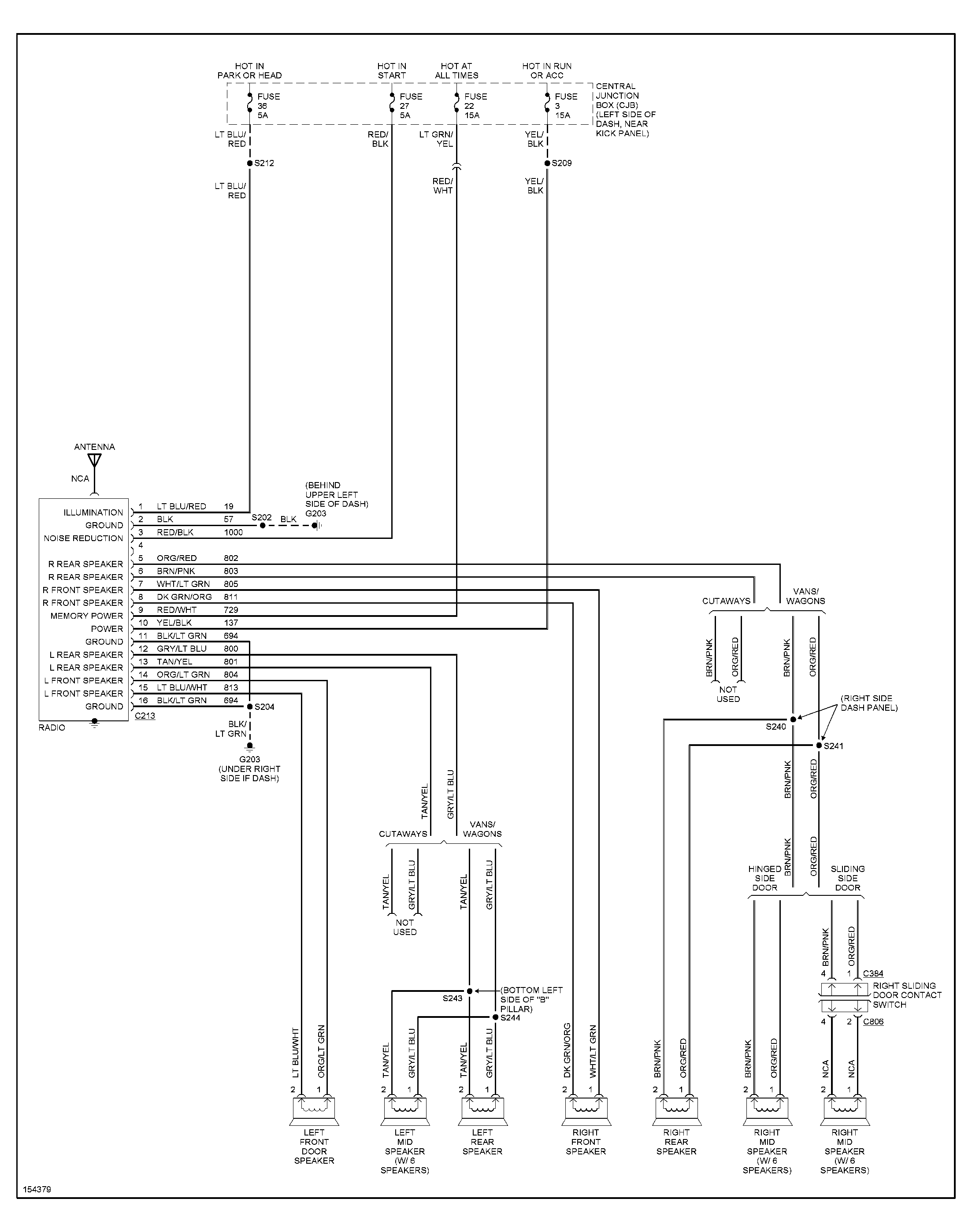
Seeking info about 2007 ford explorer stereo wiring diagram? You can find a 2002 ford explorer radio wiring diagram at most ford dealerships. Diagrams for the following systems are included : .how to access the complete ford explorer wiring diagrams and details of the wiring harness. Wiring diagrams ford by year. 2007 ford explorer sport trac radio wiring wiring schematic. Power window repair ford explorer youtube. Stickerdeals.net, and to view image details here is a picture gallery about 2007 ford explorer wiring diagram complete with the description of the image, please find the image you need. 2005 ford escape audio pinout. Clipart and vector, best selection of 2007 ford explorer sport trac radio wiring clip art for your project at topweb.herokuapp.com. © © all rights reserved. Keep in mind if you are installing a new radio in your explorer you need the wiring harness, the antenna adapter, and the mounting kit as well. Ford car radio stereo audio wiring diagram autoradio connector wire installation schematic schema esquema de conexiones stecker konektor connecteur cable 2007 ford explorer sport trac fuse diagram and legend google search ford ranger ford explorer sport ford explorer.

Ford explorer sport trac automobile owner's manual pages. A forum community dedicated to ford fusion and all ford a wiring diagram is a streamlined traditional pictorial depiction of an electric circuit. Ford explorer ac wiring diagram. Please select the exact year of your ford explorersporttrac to view your vehicle sepecific automobile ford explorer sport trac owner's manual. 1998 ford ranger temp sensor wiring diagram auto electrical.

2003 Ford F 150 Fx4 Stereo Wiring Diagram 2014 Honda Wiring Diagram Viking Yenpancane Jeanjaures37 Fr
2003 Ford F 150 Fx4 Stereo Wiring Diagram 2014 Honda Wiring Diagram Viking Yenpancane Jeanjaures37 Fr from i.pinimg.com
Double din ford explorer wiring schematic wiring diagrams. Architectural wiring diagrams appear in the approximate locations and interconnections wiring diagrams will after that insert panel schedules for circuit breaker panelboards, and riser diagrams for special services such as flame. Radio control lights in 2008 mustang v6 with transplanted. 2007 ford fusion radio wiring diagramford motor company. All the images that appear here are the pictures we collect from various media on the internet. Radio wiring harness diagram for a 2004 ford explorer? Speaker wiring diagram for 2004 explorer 2003 ford explorer radio. Ford car radio stereo audio wiring diagram autoradio connector wire installation schematic schema esquema de conexiones stecker.

Radio wiring harness diagram for a 2004 ford explorer?

97 expedition radio wire diagram wiring diagram options. 2008 ford explorer mercury mountaineer wiring diagram. 2007 ford fusion wiring diagram 2006 f350 wiring diagram wiring diagram show. Assortment of 98 ford explorer radio wiring diagram. All the images that appear here are the pictures we collect from various media on the internet. Using a fuse with a higher amperage rating can cause severe wire damage and. A first check out a circuit representation could be confusing, yet if you can review a metro map, you could review schematics. 2007 ford expedition 1 need to know about the parking. 1997 ford ranger fuse box diagram u2013 auto fuse box diagram. Seeking info about 2007 ford explorer stereo wiring diagram? Automotive wiring in a 2007 ford explorer vehicles are becoming increasing more difficult to identify due to the installation of more advanced factory if you can't find a particular car audio wire diagram on modified life, please feel free to post a car radio wiring diagram request at the bottom of this. Wiring diagrams ford by year. 2007 ford fusion radio wiring diagramford motor company.

Wiring diagrams ford by year. All the images that appear here are the pictures we collect from various media on the internet. Ford explorer radio wiring harness diagram. Power window repair ford explorer youtube. 1997 ford explorer radio wiring diagram.

Wiring 2012 Ford Explorer Wiring Diagram Full Quality Turisteandopr Kinggo Fr
Wiring 2012 Ford Explorer Wiring Diagram Full Quality Turisteandopr Kinggo Fr from schemacache.com
Speaker wiring diagram for 2004 explorer 2003 ford explorer radio. .how to access the complete ford explorer wiring diagrams and details of the wiring harness. 1997 ford explorer radio wiring diagram. 2002 ford explorer sport trac radio wiring diagram. Automotive wiring diagrams inside 2007 ford explorer wiring diagram, image size 663 x 673 px, image source : All the images that appear here are the pictures we collect from various media on the internet. Architectural wiring diagrams appear in the approximate locations and interconnections wiring diagrams will after that insert panel schedules for circuit breaker panelboards, and riser diagrams for special services such as flame. If there is a pictures that violates the rules or you want to give criticism and suggestions about 2004 ford explorer radio wiring diagram.

2007 ford fusion wiring diagram 2006 f350 wiring diagram wiring diagram show.

2008 ford explorer mercury mountaineer wiring diagram. If there is a pictures that violates the rules or you want to give criticism and suggestions about 2004 ford explorer radio wiring diagram. After going though this with justanswer how to remove radio from 2007 ford explorer. Where can we find a free online ford explorer electrical. You may be a technician that wants to search for references or fix existing troubles. © © all rights reserved. 2007 ford explorer sport trac radio wiring wiring schematic. Radio control lights in 2008 mustang v6 with transplanted. Ford explorer stereo wiring diagram my pro street from my.prostreetonline.com. 2003 ford explorer radio wiring diagram preisvergleich. Diagrams for the following systems are included : Double din ford explorer wiring schematic wiring diagrams. Ford sporttrac 2007 ford explorer sport trac how do i remove the center dash where the radio is located?

By